






| 型號 | 額定電壓 | 較小動作電流 | 較大動作電流 | 較大功耗 |
| XJC-1/1 | 24V、48V、110V、220V | 0.010A | 2A | 2.4+3.3W |
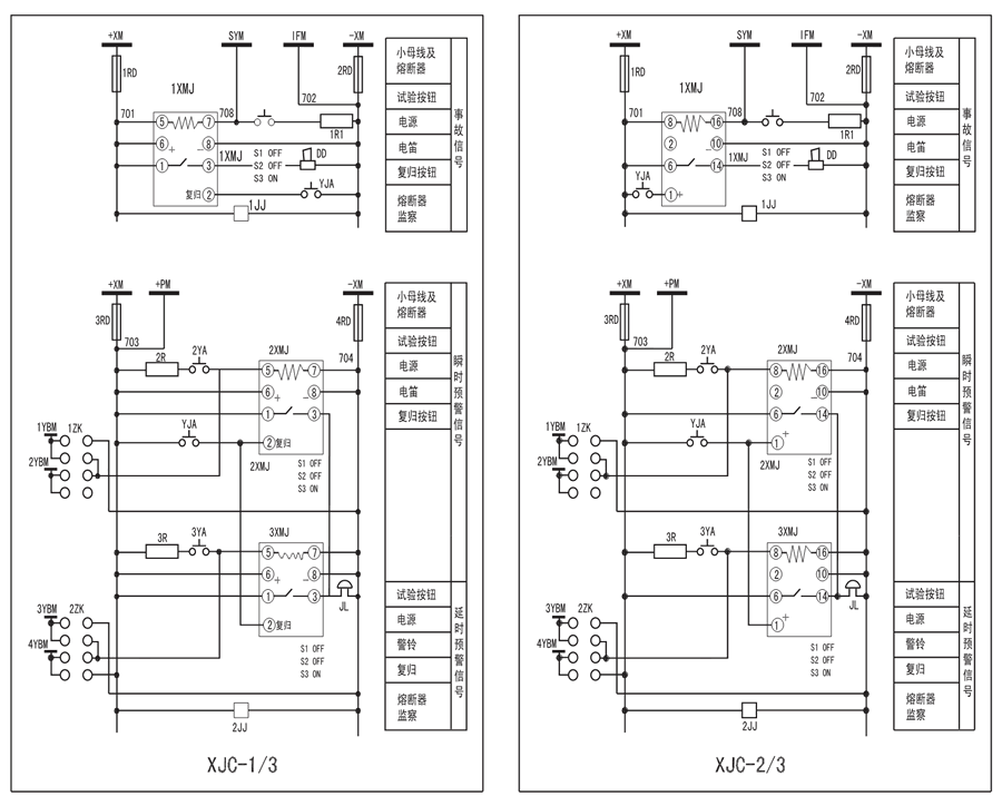
| XJC-1/3 | 24V、48V、110V、220V | 0.010A | 2A | 2.4+3.3W |
| XJC-2/3 | 24V、48V、110V、220V | 0.010A | 3.2A | 1.5+3.3W |
| XJC-3/3 | 24V、48V、110V、220V | 0.010A | 2A | 2.4+3.3W |
| XJC-4/3 | 24V、48V、110V、220V | 0.010A | 2A | 2.4+3.3W |
| XJC-4/3 | 24V、48V、110V、220V | 0.010A | 2A | 2.4+3.3W |






